The PP Three Piece Flange End Ball Valve is utilized for controlling the flow of liquefied and gaseous materials through a pipeline.
The IndustrialPP Three Piece Flange End Ball Valve is a durable and versatile valve designed specifically for Industrial applications. It features a three-piece construction with a flange end connection, allowing for easy installation and maintenance. The valve body is made of polypropylene (PP), a corrosion-resistant material that is suitable for use with various Industrial fluids, including water, fertilizers, pesticides, and herbicides. The ball inside the valve is designed to provide a tight seal when closed, preventing leakage and ensuring reliable operation. With its robust construction and reliable performance, this valve is an excellent choice for controlling the flow of fluids in Industrial systems.
Application: The Industrial PP Three Piece Flange End Ball Valve is widely used in Industrial systems for fluid control. Some common applications include:
Irrigation Systems: This valve is used to regulate the flow of water in irrigation systems, allowing farmers to control the amount of water delivered to their crops.
Chemical Distribution: It is suitable for handling various Industrial chemicals such as fertilizers, pesticides, and herbicides. The valve ensures precise control and prevents cross-contamination.
Liquid Fertilizer Systems: The valve is used to control the flow of liquid fertilizers in Industrial setups, allowing for accurate distribution and application.
Sprinkler Systems: It can be utilized in sprinkler systems to control the flow of water, ensuring efficient and precise watering of crops.
Farms: It is commonly found on farms of all sizes, where it is used in irrigation systems, chemical distribution systems, and other fluid control applications.
Greenhouses: The valve is utilized in greenhouse operations to regulate water flow, nutrient distribution, and chemical applications.
Nursery Operations: It can be used in nurseries for controlling irrigation and fertilization systems, ensuring optimal plant growth.
Industrial Processing Facilities: The valve may also be employed in processing facilities where Industrial products are treated or packaged, providing control over fluid flow during various stages of the process.
Research Institutions: Industrial research institutions and laboratories may use this valve in their experimental setups for fluid control in controlled environments.
1. PP Flange End Ball Valve in IndiaPP Flange End Ball Valves in India are manufactured for both industrial and agricultural applications. They deliver precise fluid control with excellent chemical resistance. Made from premium polypropylene, they are lightweight, maintenance-free, and corrosion-proof. Suitable for water management, chemical processing, and irrigation systems, these valves are tested and certified to meet global quality benchmarks. | 2. Exporter Polypropylene Flange End Valve in IndiaAs a reputed exporter, India supplies high-grade polypropylene flange end valves worldwide. These valves are engineered for long-lasting performance even in harsh environments. Resistant to most acids, alkalis, and salts, they ensure chemical compatibility with various industrial processes. Designed to integrate easily with multiple piping systems, they are manufactured to stringent export standards. | 3. Flanged Ball Valve PP in IndiaFlanged Ball Valves made from PP in India are valued for their durability and efficiency. The robust flanged design allows secure pipeline connections, reducing the risk of leaks. Ideal for irrigation networks, chemical plants, and water treatment facilities, they operate effectively across a wide range of pressures and temperatures. Multiple size options are available to suit specific requirements. |
4. PP Flange End Ball Valve for Irrigation in IndiaDesigned for modern irrigation systems, these PP flange end ball valves ensure uninterrupted water flow and prevent pressure loss. Their lightweight yet rugged construction makes installation quick and easy. Resistant to UV rays and weathering, they deliver excellent longevity in open-field conditions. Farmers and irrigation engineers trust these valves for water conservation and efficient crop management. | 5. Exporter Plastic Flange End Valve in IndiaIndia’s exporters offer plastic flange end valves that combine cost-effectiveness with high performance. Using industrial-grade polypropylene, these valves prevent corrosion and scaling, reducing maintenance costs. Their precision-molded flanges ensure a perfect fit with standard pipeline systems. Export-quality variants are carefully packaged to maintain integrity during international shipping. | 6. PP Flange End Ball Valve for Chemical Use in IndiaThese valves are built to handle aggressive chemicals in industries such as pharmaceuticals, fertilizer production, and wastewater treatment. The PP construction ensures non-reactive contact with most chemical solutions. High sealing efficiency prevents leakage, and the design meets safety standards for chemical handling operations. |
7. Industrial PP Flange End Ball Valve in IndiaIndustrial-grade PP flange end ball valves are built for continuous use in factories, processing plants, and manufacturing units. They are designed to handle high flow rates, offer easy operation, and withstand challenging operating conditions. Their flanged structure ensures reliable and quick installation during maintenance operations. | 8. Exporter PP Flange End Ball Valve Connection in IndiaIndian suppliers provide export-grade flange end ball valve connection designs compatible with ANSI, BS Table D/E/F, and ASA150 standards. These connections ensure compatibility with global pipeline systems. High dimensional accuracy maintains flow characteristics while minimizing pressure drop. | 9. Flange End Ball Valve Manufacturers in IndiaManufacturers in India employ state-of-the-art molding technology to produce flange end ball valves that guarantee durability and performance. They maintain strict quality control throughout the production process, ensuring valves meet both domestic and international market demands. |
10. Exporter PP Flange End Ball Valve in IndiaAs a global supplier, India exports PP flange end ball valves that are engineered for heavy-duty applications. Each valve is tested for pressure, sealing, and material integrity to deliver maximum operational lifespan. Exporters ensure timely delivery and competitive pricing for worldwide customers. | ||
For some, modern applications utilization of Polypropylene Flanged Valve is accomplished for conveying high work yield. These kinds of valves are high sought after on account of its exceptional highlights which incorporates obstruction against pressure just as high solidness. Polypropylene Flanged Valve are made accessible in various sizes beginning from 2" to 6" to coordinate multipurpose needs of various industries.
One of the believed producers of this valve in the business is POONAM VALVES. The body of the valve is made out of Poly propylene. The item is anything but difficult to deal with and accompanies a High Pressure Bearing limit extending Up to 10 Kg/cm. The item is made accessible at a reasonable price.
The Polypropylene Flanged Valve is produced dependent on the predominant modern principles. In the event that there is any redone need from the customer end then in a large portion of the cases the main organizations like
Protective and Resistive from most of the corrosive Chemicals. Hydraulically and Pneumatically tested for 15 Kg. upto 4".
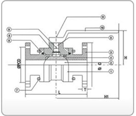
Special Features of Three Piece Flange End. (White)
1. Available in Flange Type in 15 mm to 150 mm and in Screw Type in 15 mm to 100 mm.
2. Manufactured from Poly Propylene, a Chemically inert thermoplastic.
3. Can be used upto 90?C Temp.
4. Hydraulically and Pneumatically tested for 15 Kg. upto 4".
5. Protective and Resistive from most of the corrosive Chemicals.
6. Flange drilled as per customer's specification.